很多人在进行浪涌保护器选型的时候,经常发现这样一个问题:为什么线路电压是 380v或440v,而防雷厂家给我选用的浪涌保护器型号Uc值只有320v或385v?浪涌保护器的工作电压小于我的电压值,这样选出来的浪涌保护器安装在线路上能防雷吗?
其实,这里存在一个对浪涌保护器选型电压参数的误区,也就是相电压和线电压的区别。
究竟相电压和线电压之间有什么关系呢?为什么我的浪涌保护器Uc值小于线电压还能正常工作呢?下面,小编就来给大家科普下这两个概念吧。
1、什么是相电压和线电压?
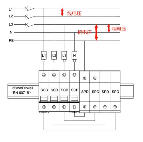
举例:在一个三相五线制的供电系统(如TN-S接零保护系统)中,分别由三根相线及一根零线及一根PE线组成,那么在这个三相五线制的供电系统中,相电压指的是任意一根相线和零线(N线)、任意一根相线与PE线之间的电压;线电压指的是任意两根相线之间的电压。如下图所标识:
L3与PE线之间的电压是相电压,L3与N线之间的电压也是相电压;L1与L2线之间的电压为线电压。
2、相电压和线电压之间的关系
我国常用的标准交流电压是:相电压为220v,线电压为380v,而相电压和线电压之间的数学关系为:线电压为相电压的√3倍
3、为什么浪涌保护器Uc值小于线电压还能正常工作呢?
首先,我们来了解浪涌保护器的工作原理:浪涌保护器的安装位置是在相线和零线、相线和地线之间,3PN浪涌保护器还会安装在零线和地线之间,无论如何浪涌保护器都不会安装在两根火线之间。因此,我们在浪涌保护器选型时,选Uc值时,只需要考虑电路中的相电压。
因此当大家在浪涌保护器选型安装时,看到的电路电压为380v,而实际的相电压只有220v,给它安装Uc为320v或385v的防雷器完全能达到防雷效果。而如果是440v的线电压,那么它的相电压就是254v,安装320v或385v的浪涌保护器也都能满足这个电路系统中的防雷要求。